Product TN-CK40-H1147
HF读写头
Order number: 7030006- 矩形,高40 mm
- 感应面(黄色)的定位可以朝五个不同的方向
- 塑料材质,PBT-GF30-V0
- 仅通过连接至BL ident接口模块进行供电和操作
- M12 × 1接插件,仅通过BL ident延长线连接

常用数据
| EAN | 4047101115000 |
| eCl@ss-Code (V5.1.4): | 27280401 -/- 射频识别系统 RFID |
| 关税编号 | 84719000000 |
| 原产国 | DE |
| 重量 | 115 g |
技术数据
| 技术 | HF RFID |
| 无线通讯与协议标准 | ISO 15693, NFC Typ 5 |
| 设计 | 方型 |
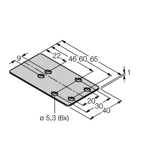
| 结构尺寸 | 65 x 40 x 40 mm, CK40 |
| 最大读写距离 | 115 mm |
| 安装方式 | 非齐平 |
| 网络协议 | 连接到RFID接口 |
| 外壳材料 | 塑料, PBT-GF30-V0, 黑 |
| 工作温度 | -25…+70 °C |
| 防护等级 | IP67 |
产品传单
产品目录
制造商声明
快速入门指南
配置手册
Mounting accessories
|
MF-CK40-1S
方型CK40的保护框架(单侧) |
6900481 |
|
MF-CK40-2S
方型CK40的保护框架(直角) |
6900482 |
|
MF-CK40-3S
保护框架(U型)CK40 |
6900483 |
|
JS025/037
CK/CP40方型外壳的安装导轨;材质:VA 1.4301 |
69429 |
|
BSS-CP40
用于40 x 40 mm矩形外壳的安装夹具;材料:PP |
6901318 |
|
BSS-SPV5
用于BSS安装夹具的焊接板 |
6901324 |
|
BSS-TSM 2 pcs
DIN导轨螺母,用于BSS和BSM安装夹具,安装在DIN导轨上 |
6901323 |
|
BS4-CK40
固定支架;材质trogamide |
6946006 |

