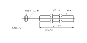
Product RU10U-M08-UP8X-V1141
超声波传感器
直反式传感器
Order number: 100003157- 超声波传感器光滑检测面
- 密封的圆柱形外壳M08
- 通过M8 × 1公头接插件连接
- 通过接线可调节编程范围
- 盲区:2 cm
- 有效距离:10 cm
- 分辨率:0.2 mm
- 声波锥锥角:±9°
- 1x 开关量输出,PNP
- 可示教设置
- 常开/常闭可编程
- IO-Link

常用数据
EAN | 4047101476118 |
eCl@ss-Code (V5.1.4): | 27272803 -/- 超声波传感器 |
关税编号 | 85365019000 |
原产国 | DE |
重量 | 23 g |
技术数据
功能 | 接近开关 |
工作模式 | 运行时间 |
设计 | 螺纹 |
结构尺寸 | M8 x 1 |
检测距离 | 20…100 mm |
分辨率 | 0.2 mm |
工作电压 | 15…30 VDC |
开关元件功能 | 常开/常闭触点 |
输出性能 | PNP |
通信协议 | IO-Link |
电气连接 | 接插件, M8 × 1 |
外壳材料 | 金属, CuZn, 镀镍 |
工作温度 | 0…+50 °C |
防护等级 | IP67 |
认证 | CE认证, cULus |
Data Sheets
产品概述
快速入门指南
手册
认证/声明
配置文件
Connectivity accessories
![]() |
PKG4M-2/TEL
连接线缆,M8母头接插件,直式4针,线缆长度2 m,护套材质PVC,黑色;cULus认证 |
6625061 |
![]() |
PKW4M-2/TEL
连接线缆,M8母头接插件,弯式4针,线缆长度2 m,护套材质PVC,黑色;cULus认证 |
6625067 |
![]() |
PKG4M-2-RSC4.4T/TXL
延长线缆,直式4针M8母头接插件转直式4针M12公头接插件,线缆长度2 m,护套材质PUR,黑色;cULus认证 |
6627063 |
Functional accessories
![]() |
TBEN-S2-4IOL
紧凑型多协议 I/O 模块,4 路 IO-Link Master 1.1,A 类,4个通用 PNP 数字通道 0.5 A |
6814024 |
![]() |
USB-2-IOL-0002
IO,链路主设备,具有集成USB端口 |
6825482 |